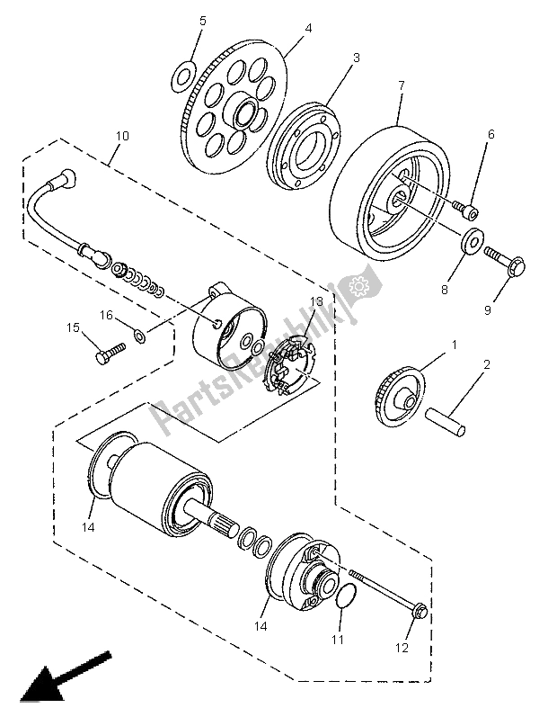
22U155120000
pignon, tendeur 15H0155210000
arbre 14TR155900000
démarreur unidirectionnel assy4VR155170000
gear, idler 24VR155170100
gear, idler 290201256K600
rondelle, plaque (1fk)902012529000
rondelle, plaque (1fk)901100821200
boulon, douille913170802000
boulon, douille4VR814500000
rotor assy4VR814500200
rotor assy90201107K600
rondelle, plaque (1wg)90201107E900
rondelle, plaque (1wg)901051015200
boulon, à base de rondelle (4h7)4VR818000000
démarrage du moteur3JB818900000
démarrage du moteur1FK818470000
joint torique (437)932102423500
joint torique (437)3HE818260000
boulon3KS818400000
porte-balais assy11H818440000
joint35C818440000
joint970700602500
Pas de description disponible929900660000
rondelle, lisse (646)