90504030044
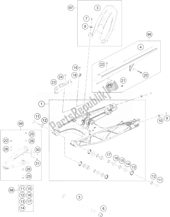
braccio oscillante cpl.90104050000
protezione dagli schizzi90104060000
paracatena cpl.90104037000
braccio oscillante albero l = 299mm90104038000
dado flangiato m14x1,5J025060083
vite da collo hh m6x8 sw890104067000
secchio90104040000
bullone esagonale m10x1,25x50 ws1090104010002
dado esagonale flangiato m10x1,25 ws13
Dado esagonale flangiato m10x1,25 ws13 KTM 90104010002
€ 4,72 4 - 7 Giorni lavorativi90104042000
rondella di spinta esagonale90104046000
anello di regolazione forcellone90104034001
anello paraolio 25x32x790104036000
rondella di spinta 22.2x31.7x190104034000
tazza per tenuta radiale dell'albero90104031000
igus cuscinetti a strisciamento90104032000
bussola a manicotto 15,1x20x3890113047000
guida tubo frenoJ011050133
vite da collo hh m5x13 sw80017060303
vite speciale t60 6x30 ws = 6J025050503
vite da collo hh m5x50 ws890204060001
eh colletto90113147000
guida tubo frenoJ912050101
ah vite m5x10J025060169
vite da collo hh m6x16 sw890604062000
boccola di scorrimento catena90104040100
vite m5x0,8x3090504067000
protezione scorrevole della catena della rondella
Protezione scorrevole della catena della rondella KTM 90504067000
€ 3,33 4 - 7 Giorni lavorativi90104070020
protezione della catena della manica90904070020
protezione della catena della manica90104060110
kit protezione catena duca90106010010
kit paraspruzzi 390 duca90104230010
rappresentante forcellone kit 11-1790104066310
kit paracatena 125/200