130G1020
met flens, 10x20 gemeenschappelijk130CA1020
met flens, 10x20 gemeenschappelijk130G1030
met flens, 10x30 gemeenschappelijk130BA1030
met flens, 10x30 gemeenschappelijk410AB1800
w-plain-s gebruikelijk410F1800
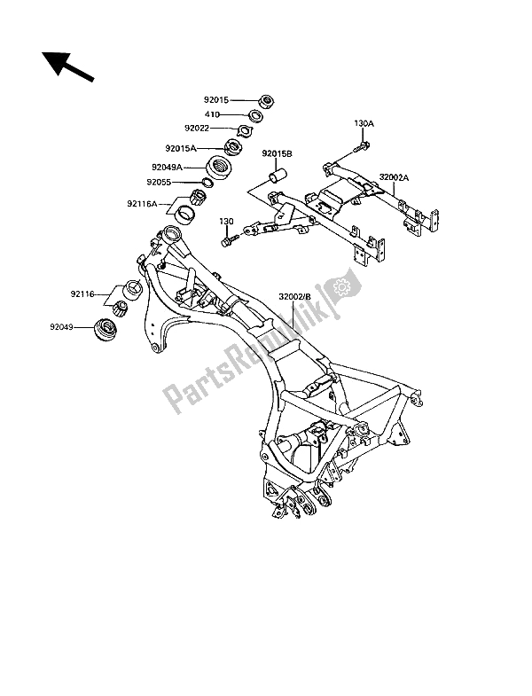
w-plain-s gebruikelijk320021878
frame-comp, fr zg1000-a1320021879
frame-comp, rr zg1000-a1320021886
frame-comp, fr zg1000-a1321601592
frame-comp, fr zg1000-a1920151796
moer, krimp 6 mm kmx200-a3920151546
moer kl600-b1920151404
moer, 18mm kl600-a1920221555
sluitring kl250-d14922001357
sluitring kl250-d14920491162
seal-olie, xmhe36x52x4j kl600-a1920491214
seal-olie, stuurk. kl600-a1920551459
ring-o, id = 24,5 kr250-b2921161009
dragende r, hr320 / 28xj z1000-j1921161056
lagerrol zx900-a1