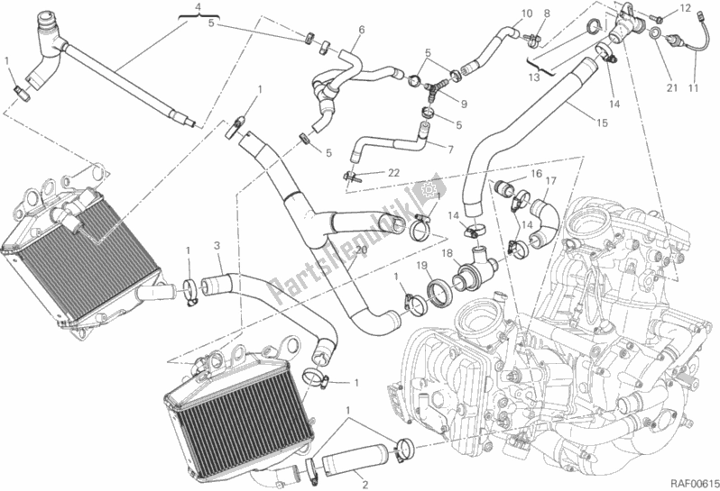
74142591A
zacisk 20-35 mm80011901a
wąż chłodnicy pompy80011891b
wąż chłodnicy chłodnicy80020042B
wąż, chłodnica / korek h74142101a
Zacisk80011941b
rura odpowietrzająca przód80011921a
dno rury odpowietrzającej74142121a
Zacisk81440491b
związek y80011931a
rura odpowietrzająca tył55242671A
czujnik, temperatura77210623b
wkręt81420061A
guarnizione basetta specchio retrov.74142581A
zacisk 16-27 mm80011861b
wąż pompy termostatu pionowy66810501B
sutek, wąż80011871b
wąż pompy termostatu poziomy55340041B
wyłącznik termiczny88111281A
pierścień zabezpieczający termostat80011881b
wąż termostatu chłodnicy85250421a
uszczelka miedziana sp 1 574142181A
Zacisk