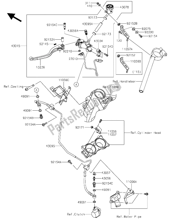
120CB0612
gniazdo śrubowe, 6x12 zr1000b7f311AC0600
Nakrętka sześciokątna kaf950g9f410AA0600
podkładka-zwykła-mała vn900c7f110564491
wspornik, pulsujący. uchwyt zx1000n110567079
wspornik siłownika zx1000nff110567532
wspornik, zbiornik zx1000nff110567533
wspornik, rozwórka metrowa zx1000nff132360771
Lever-Comp, Sprzęgło ZX1000NFF270100824
przełącznik, stop zx1000nff430150616
cylinder-assy-master, clu zx100430150669
cylinder-assy-master, clu zx100430340121
uchwyt-hamulec ZX1000NFF430560007
odpowietrzająco-hamulcowy KX85B8F430560012
odpowietrzająco-hamulcowy ZX1000PGF430560019
odpowietrzająco-hamulcowy ZX1000PGF43057003
korek-odpowietrznik Z440-A2430780586
zbiornik zx1000ngf430780578
zbiornik zx1000ngf430950893
hamulec węża, sprzęgło ZX1000NFF430950909
hamulec węża ZX1000NFF490910001
podkładka-uszczelka 10,1x14,5x1,5 kaf95
Podk?adka-uszczelka 10,1x14,5x1,5 kaf95 Kawasaki 490910001
€ 1,45 3 - 5 Dni robocze920751564
amortyzator, rozwórka osłony zx750-e1921451683
wiosna zx1000nff921521863
kołnierz, 6,5x10x5,3 zr1000fef921522151
kołnierz, dźwignia Zx1000nff921541809
śruba, dźwignia zx1000nff921541644
śruba, gniazdo, 6x20 zx1000nff921541622
śruba, banjo, 10x19, c. wydanie zx100
?ruba, banjo, 10x19, c. wydanie zx100 Kawasaki 921541622
€ 36,58 3 - 5 Dni robocze921541554
śruba, banjo, 10x19 zx1000nff921541532
śruba, gniazdo, 6x25 EN650aff921541455
śruba, gniazdo, 6x18 zx1000nff921710939
zacisk ZR1000B7F921731498
zacisk, wąż ZX1000NFF922003712
podkładka 6,5x16x1,0 jl650-a1922101424
nakrętka, u zx1000nff