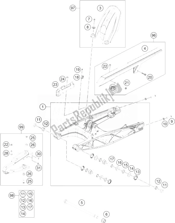
90504030044
brazo oscilante cpl.90104050000
protector contra salpicaduras90104060000
protector de cadena cpl.90104037000
eje brazo oscilante l = 299 mm90104038000
tuerca embridada m14x1,5J025060083
hh tornillo de collar m6x8 sw890104067000
Cubeta90104040000
tornillo hexagonal m10x1,25x50 ws1090104010002
tuerca hexagonal con brida m10x1.25 ws1390104042000
arandela de empuje hexagonal90104046000
anillo de ajuste del basculante90104034001
anillo de cierre de aceite 25x32x790104036000
arandela de empuje 22.2x31.7x190104034000
copa para sello de eje radial90104031000
cojinete liso igus90104032000
casquillo de manguito 15.1x20x3890113047000
guía de manguera de frenoJ011050133
hh tornillo de collar m5x13 sw80017060303
tornillo especial t60 6x30 ws = 6J025050503
hh tornillo de collar m5x50 ws890204060001
hh tuerca de collar90113147000
guía de manguera de frenoJ912050101
ah tornillo m5x10J025060169
hh tornillo de collar m6x16 sw890604062000
casquillo deslizante de cadena90104040100
tornillo m5x0.8x3090504067000
protector deslizante de la cadena de la lavadora
								
							
							
								Protector deslizante de la cadena de la lavadora KTM 90504067000
€ 3,33 4 - 7 Días hábiles90104070020
protector de cadena de manga90904070020
protector de cadena de manga90104060110
kit de protección de cadena duke90106010010
kit protector contra salpicaduras 390 duke
								
							
							
								Kit protector contra salpicaduras 390 duke KTM 90106010010
€ 23,23 4 - 7 Días hábiles90104230010
representante de basculante kit 11-1790104066310
kit protector de cadena 125/200