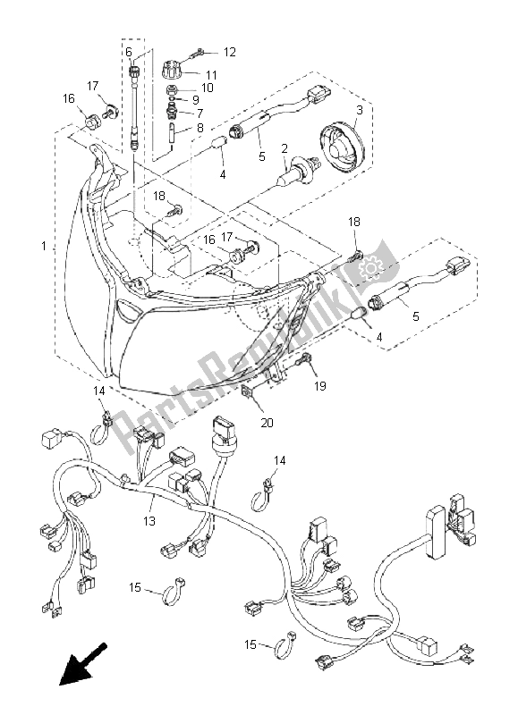
3P68430B0000
luz principal subconjunto3P68430B1000
luz principal subconjunto2F9843140000
faro de bombilla5VKH43140000
faro de bombilla5JW843970000
cubierta, zócalo5DSH47441000
bombilla (12v-5w) t105DM843470000
bombilla (12v-5w) t103P6843460000
zócalo, luz piloto3P68430N0000
conjunto de cables3P68431U0000
poseedor3P68431N0000
varilla934400619000
circlip901701020600
nuez3P68432N0000
mando901570300700
tornillo, cabeza plana3P6843592000
cable, faro904641203600
abrazadera (2tv)904641011200
abrazadera (2tv)904651315200
banda1UA825910000
banda4XV835130000
apagador901600500600
tornillo, roscado redondo977025001600
tornillo, roscado (4tv)901670507700
tornillo, roscado (4tv)901540500500
tornillo, encuadernación (8j0)90183050A600
nuez, primavera