120S0516
attacco a vite, 5x16 zr750l7f120CB0516
attacco a vite, 5x16 zr750l7f130L0612
bullone flangiato, 6x12 comune130BB0612
bullone flangiato, 6x12 comune211750015
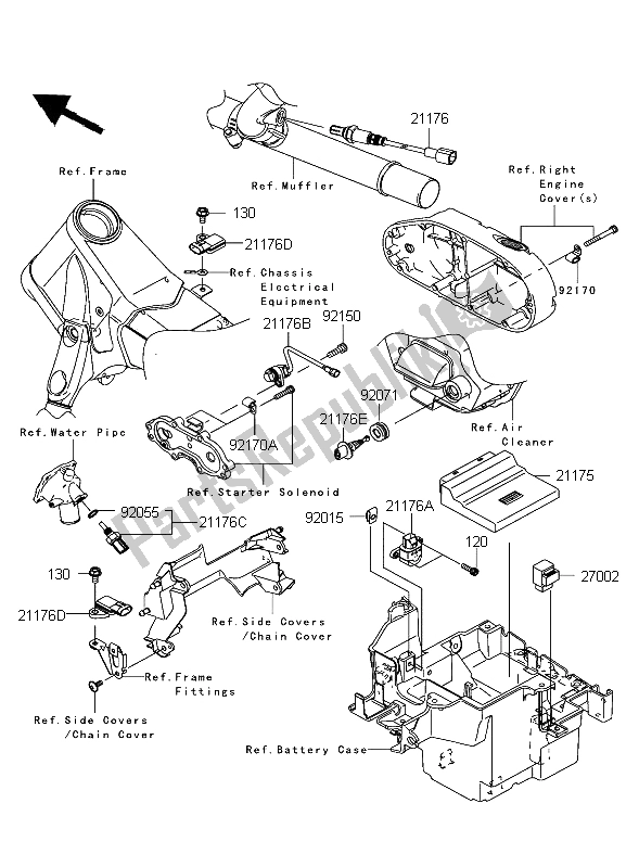
centralina elettronica vn2000211762106
sensore zx636-b1h211760058
sensore iaps vn1600-a3211761118
sensore iaps vn1600-a3211760009
sensore, temperatura dell'acqua vn2000-a1h
Sensore, temperatura dell'acqua vn2000-a1h Kawasaki 211760009
€ 62,73 3 - 5 Giorni lavorativi211760007
sensore, angolo camma vn2000-a1h211760025
sensore vn2000-a1211760006
sensore vn2000-a1211760005
sensore, ossigeno vn2000-a1h270021062
relay-assy zx600-c1920151710
dado zx400-f1920550016
ring-o, 9.5x1.9 vn2000-a1h920712140
passacavo zx636-b1h921503775
bullone jf650-b2921701577
morsetto zx600-f1921701804
morsetto kl250-h1