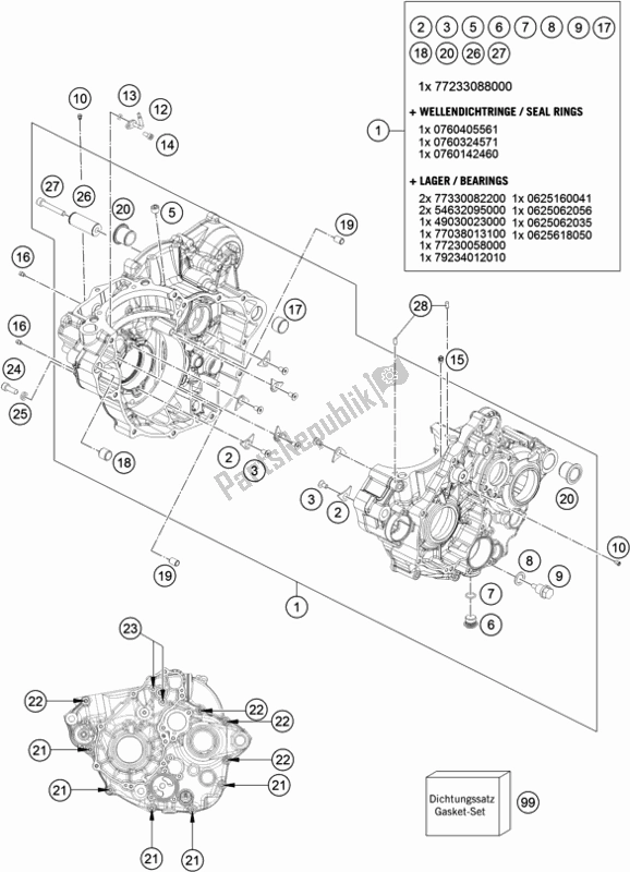
75030085000
piastra di fissaggio f. cuscinetto cs0019050121S
Int. testa piatta torx m5x12 t250906100100
tappo per tubo din 906 m10x178036081000
bullone di fissaggio m14x1,50770110015
O-ring 1,5x11 silicone58038022000
anello cu-seal din7603-12x18x1,558030021000
tappo di scarico olio c.mag. M12x1,580030058060
getto d'olio ""60"" m477830064070
getto d'olio curvo '700770035020
O-ring 3,5x2,00 nbr0912040103
ah. vite din0912-m 4x1060030063070
getto d'olio 70 m559030058000
getto 100 bing (44-031/180) m459030024000
tassello 17 x 19 x 1254630027000
boccola di centraggio 13,8x11x1259030023000
tassello 6x8x11,579230010000
boccola0025060556
vite da collo hh m6x55 tx300025060656
vite da collo hh m6x65 tx300025060706
vite da collo hh m6x70 tx3058030080000
vite di posizionamento m8 l = 2358030081000
anello di tenuta cu 8 x 14 x 359033018000
perno di boccola 20000912060406
ah vite din0912 m 6x400402050080
rullo cilindro zro 5x879030099000
kit guarnizioni motore 350 exc-f 17