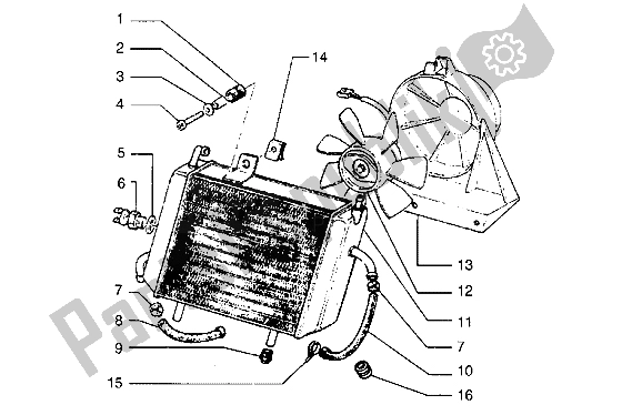
351782
gomma superiore273288
distanziatore013092
rondella d6,2x20x1271891
vite m6x30168077
guarnizione di rame293301
interruttore termicoCM001907
fascetta270248
Nessuna descrizione disponibile270239
Nessuna descrizione disponibile297162
Nessuna descrizione disponibile562577
refrigeratore d'acqua581098
ventilatore elettrico270238
supporto254485
clip m6CM001908
fascetta258904
gomma inferiore