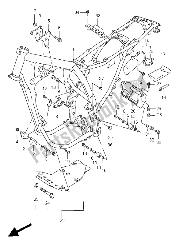
4110032E3024K
frame dr650sek34110032E1024K
nessuna descrizione disponibile al momento4191132E00
piastra, eng mtg, f0910308139
bullone 8x100083193108A
Noce0831931083
Noce4199132E00
piastra, eng mtg, u0910308170
bullone, 8x550910308339
bullone, 8x550831931083
Noce083193108A
Noce4193032E00019
piastra, eng mtg, r0155008203
bullone015500820A
bullone0925020012
spina4325132E00
staffa, stop sw021620616B
vite0216206163
vite0910308178
bullone 8x384391113E00
rullo, catena co0918008119
distanziale 8.6x12x20821108201
rondella0980021024
strumento di controllo0980021034
strumento di controllo0981600100
chiave inglese, scatola 164155032E00
supporto, attrezzo4155237210
cappuccio, portautensili0911606006
bullone, 6x164250032810
protettore, engin0910608098
bullone 8x140910310154
bullone, l: 2450916010091
Rondella, 2,04154032E00
supporto, batteria0911606167
bullone0916906065
Rondella, risuonatore0932008021
cuscino0911606168
bullone, 6x160918006038
distanziale 6.1x9x7.0932008021
cuscino4156132E00
piastra, batt fitt015500610A
bullone0155006103
bullone4358532E00
spina, telaio pivo4359532E00
spina, telaio p, l.4358632E00
spina, sporgenza del telaio