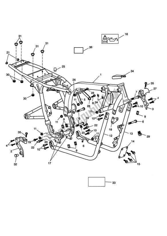
T2075253
telaio, mondoT2075254
telaio, americheT2075255
gruppo telaio, canadaT2075257
telaio assy californiaT2075061
stabilizzatore rhT2075062
stabilizzatore sinistrot3050402
vite, tappo / hd, m10x1,25x23, slvT2075057
Staffa Per CartucciaT3334630
vite, torx, m12x1,25x130T3151011
bullone hhf m12 x 172 10.9 slvT3150301
bullone hhf m12 x 172T3151021
bullone hhf m12 x 55 10.9 slvT2075055
staffa m10T3051221
kit ricambi: 900 bulloni cullaT3050227
vite, cappuccio/hd, m10 x 1,25 x 35T3350115
controdadoflgdm12x1.2T2075271
culla dx dipintaT2075241
culla sx verniciataT2075056
rinforzo della piastraT3205156
bullone hhf lghtd m8 x 16 slvT3900136
etichetta olio motoreT2075008
Motore MontaggioT2075034
Staffa Per Cartucciat3332162
vite, m10x1,25x30, enct3555028
rondella, 10,5 x 25 x 2T2074993
perno di montaggioT2075068
Staffa Per Cartucciat3351002
dado, prigioniero, tipo u, m5x0.8, slvT1241012
collegamento del vuoto del tappot3350004
controdado, flangiato, m8T2082120
filo guidat3202319
bullone, hhf, m8x1,25x35, slvt3700108
clip, cavo, 14,3 x 107T3021100
anello di tenuta dia 13 x 1,8t3010702
manica, flgd, 6.4x10x8.5T3900169
modifica della cornice dell'etichettaT2072702
striscia di sfregamentoT3051222
kit tappo a vite/hd m10T3050227
vite, cappuccio/hd, m10 x 1,25 x 35T3900634
etichettace908/9md/h/