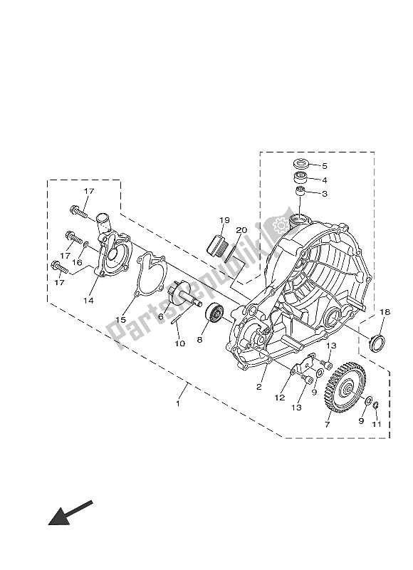
1WDE24200000
pompa dell'acqua1WDE54210000
coperchio, carter 2933171109600
cuscinetto933152157000
cuscinetto931021580100
paraolio1WDE24500000
asse dell'albero della girante1WDE24530000
Ingranaggio33SE22230000
foca33SE24560000
rondella1WDE319L0000
perno, dritto990090840000
anello di sicurezza1WDE26810000
piatto913120601000
bullone, presa913170601000
bullone, presa1WDE24220000
copertura, alloggiamento1WDE24280000
guarnizione, custodia co904300601400
guarnizione 256113960000950220602500
bullone, flangia2H7153610000
indicatore, livello1WDE53620000
tappo, livello olio932102780700
o-ring