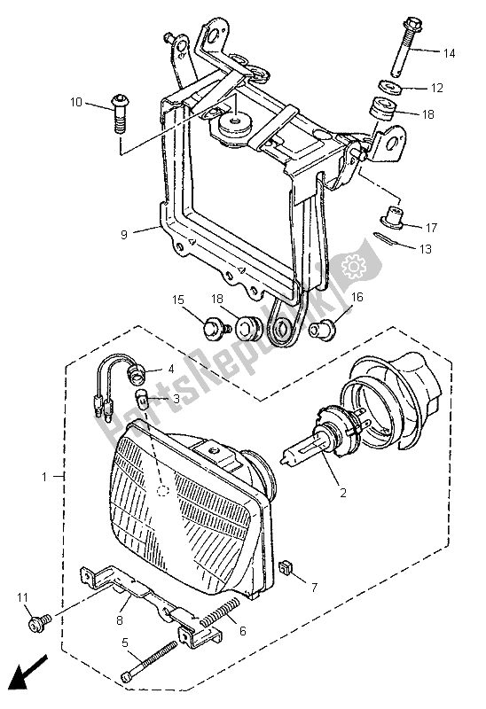
3TB843201000
gruppo lenti2F9843140000
faro della lampadina5VKH43140000
faro della lampadina4E2843470000
lampadina (12v 4w)3TB843120000
presa di corrente3TB843250000
vite, raccordo per cerchione341843326000
molla, regola198843346000
dado, regolare3TB8431R0000
rimanere, ambientazione4PT843110100
corpo, faro920170802500
bullone, pulsante3TB843290000
bullone, ala 1902020601300
rondella 102283270000904681212000
clip (7r4)3TB841370000
bullone, speciale970170602500
bullone, esagono901190609700
bullone, esagono903870638800
collare903870615800
collare903870739100
colletto 437216330000904801402300
passacavo 839774310000