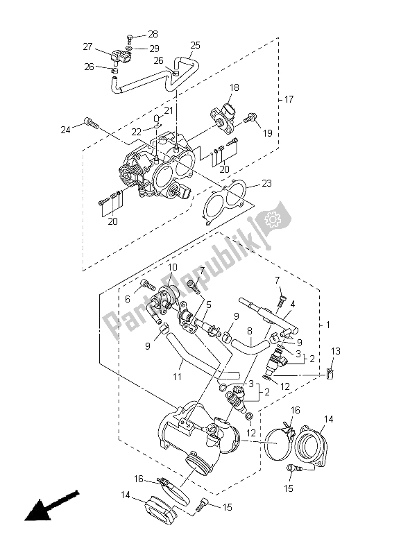
5S7135900000
gruppo giunto carburatore5S7137610000
iniettore5PS141470000
o-ring5S7143490000
tubo5S7143480000
pipe 1913120501000
bullone901100616800
bullone, testa a esagono incassato (m01)9011006X2600
bullone, testa a esagono incassato (m01)
Bullone, testa a esagono incassato (m01) Yamaha 9011006X2600
€ 0,92 3 - 5 Giorni lavorativi5S71392600
nessuna descrizione disponibile al momento68V243870000
clip5S7139060000
regolatore, pressione5S7243120000
tubo 28FP135560000
guarnizione, collettore904671200300
clip5S7135860000
giunto, carburatore 1913120602000
bullone904505400600
fascetta assemblata5S7137500000
corpo farfallato8GL858850000
sensore dell'acceleratore assy
Sensore dell'acceleratore assy Yamaha 8GL858850000
€ 166,24 3 - 5 Giorni lavorativi4KM244530000
vite3D8141040000
set di viti dell'aria895141690000
berretto8A7141390000
clip, tubo3D8144670000
foca913120602000
bullone5S7138950000
tubo flessibile, aria904670709300
Clip (42x)5S7823800000
sensore, pressione970020502000
bullone (2e9)901010539600
bullone (2e9)929020560000
rondella piana (646)929900560000
rondella piana (646)