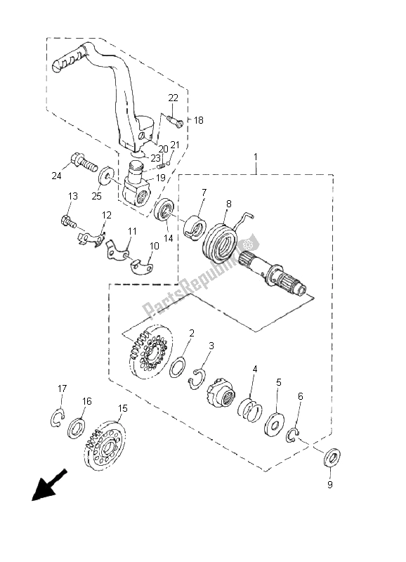
5GR156010000
calcio assy902012068500
rondella, piastra (2k7)934102003800
anello di sicurezza (525)905011610700
compressione a molla16815675000090201167P700
rondella, piastra (4gl)990091640000
anello di sicurezza (13T)5GR156640000
guida, primavera905083074300
molla, torsione (2vm)90201162H400
rondella, piastra (25h)5BE156680000
tappo5BE156740000
Nessuna descrizione disponibile5BE156860100
rondella, blocco901010600100
bullone, esagono970170601600
bullone, esagono931022081400
paraolio931022010800
paraolio5BE156510000
marcia, calcio al minimo902012027600
rondella 328171160000990092040000
anello di sicurezza (1AR)5BE156200200
kick crank assy3SP156210200
capo, calcio manovella905011372000
molla, compressione (23x)935010401100
palla901520601000
vite a testa svasata (5y1)932101921600
o-ring901050875200
bullone, flangia (8ab)958170802000
bullone, flangia (8ab)90201087A900
rondella, piastra (8l8)