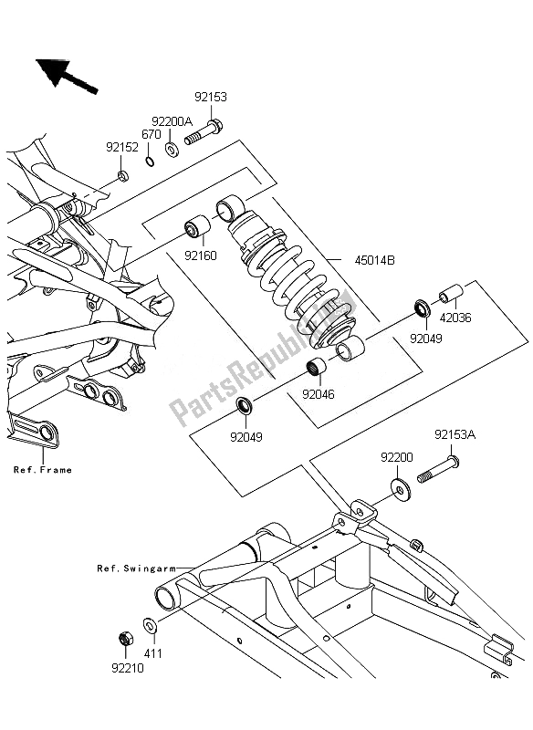
411AA1200
sluitring, 12 mm ER650A6S670B2012
'o' ring, 12mm420360024
mouw, 12.1x18x32 er650a6s450140298458
schokbreker, p. zilver er650ca920461272
lager-naald, sfyzm1 zx900-e1920490133
seal-olie ER650C9F921520811
kraag, 12.1x16.8x4.4 er650c9f921531766
bout, met flens, 12x55 kle650a7f921531985
bout, dop, 12x70 ER650C9F921601161
demper, schokbreker zx750-h1922000484
ring ER650C9F922000519
ring, 12,5x24x3,2 er650c9f922100300
moer, slot, 12 mm ER650A6S