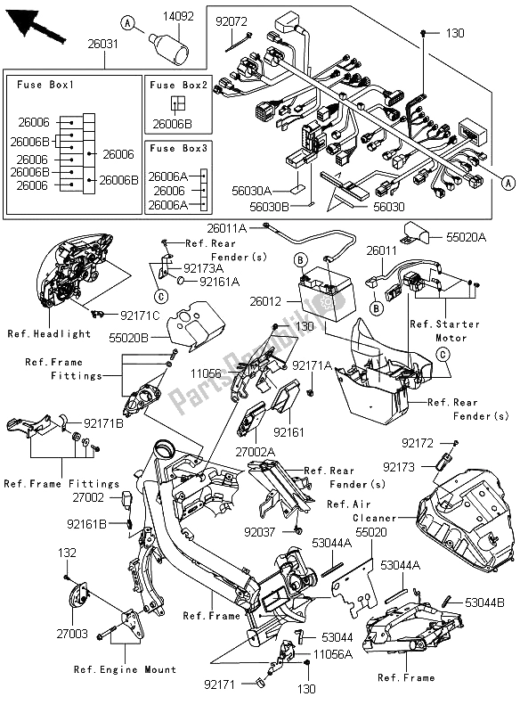
130BA0612
boutflens, 6x12 zx1400a6f132BB0612
bout-flens-klein, 6x12 gemeenschappelijk110560806
steun, relais ER650ECF110561888
beugel, draaipunt, upp, links er650fcf140920902
deksel er650ecf260061078
zekering, 10a kaf620-e1260060020
zekering, miniblad, 25a, natu zx100260060001
zekering, 15a vn2000-a1h260110710
draadkabel, batterij (+) er650fcf260110711
draadkabel, batterij (-) er650ecf260120705
batterij, YT12A-BS, 12V 10A ER650260120556
batterij, YT12A-BS, 12V 10A ER650260311376
harnas, belangrijkste er650fcf260311450
harnas, belangrijkste er650fcf270020006
relais, signaallamp kle650a270020007
estafette kle650eff270020025
estafette kle650eff270030056
hoorn er650c9f530441324
trim zx1200-a1530440556
trimmen, l = 85 er650ecf530440661
trim zx1400a6f530440018
trim zx1400a6f550200760
beschermkap, luchtfilter er650ecf550200822
bewaker, mg. schakelaar er650ecf550200826
beschermkap, zekeringkast ER650ECF560300706
label, zekeringkast2 er650ecf560300705
label, zekeringkast1 er650ecf560300400
label, zekeringkast zx1000kbf920371163
klem, harnas, achter z250-a3920721414
band zx1200-b1921611443
demper, 15x25x8.5 er650ecf921610336
demper kl110-a3921610203
demper, relaiskast zx636-c1h921710316
klem, remslang vn2000-a1h921710640
klem ER650A6S921710652
klem zx1400a6f921711415
klem, c crip, dia = 13 zr1200-a1921720742
schroef, tappen, 5x16 kle650cbf921730889
klem, luchtfilter ER650ECF921730890
klem er650fcf