318BA0800
moer-zeskant klein, 8mm zx1400a6f33001062518R
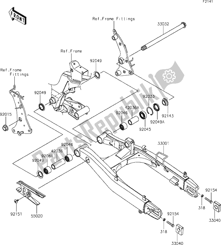
arm-comp-swing, f.s. zwart en650330320042
shaft-swing arm, 20x300 en650af330401109
stelketting zx750-h2420360706
mouw, links, 20,1x28x75,8 er650ec420360707
mouw, recht, 20,1x28x52,3 er650ec550200985
beschermkap, ketting en650aff920151724
moer, met flens, 20 mm ZX1000-B1920331041
borgring, 42mm z750-l1920450017
kogellagers, 6004UL11 ZR750-J1920461202
lager-naald, bm2824 zr750-c1920490132
seal-olie ER650C9F920490138
seal-olie ER650C9F921431727
kraag, achterbrug, rechts, l zx1100-e921511149
bout, dop, 6x18 zr1100-c1921540837
bout, 8x40 er650ecf