120CA0610
boutmof, 6x10 zx600p7f130BB0610
met flens, 6 x 10 gemeenschappelijk132BA0614
bout-flens-klein, 6x14 zx1400110650213
cap ex250k8f230620739
beugel-comp ex300adf230620781
beugel-comp ex300adf260061078
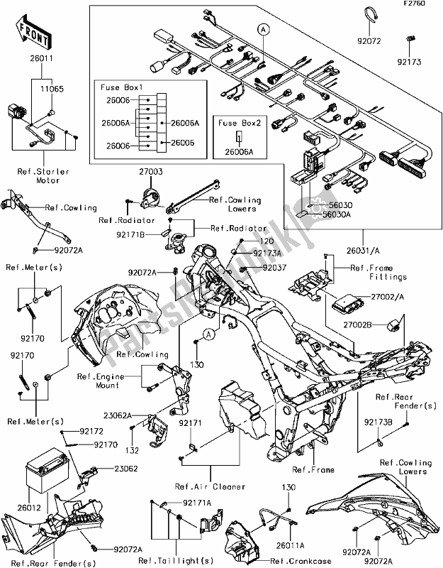
zekering, 10a kaf620-e1260060001
zekering, 15a vn2000-a1h260110798
draadkabel, batterij (+) ex300adf260110803
draadkabel, batterij (-) ex300adf260120608
batterij, ftx9-bs, 12v 8ah er300a260311789
01 harnas, hoofd260311816
01 harnas, hoofd270020059
relay-assy ex300adf270020050
01 relais-assy270020050
01 relais-assy270030085
hoorn ex300adf560300706
label, zekeringkast2 er650ecf560300779
label, zekeringkast1 ex300adf920371163
klem, harnas, achter z250-a3920721195
band, l = 185 zg1000-a1920721414
band zx1200-b1921701514
klem, carburateur slang kdx200-e921710305
klem zr750-j1h921711539
klem zr1000-a1921711597
klem ex300adf921720262
schroef, tappen, 5x10 zx1400a6f921730907
klem ex300adf921730978
klem ex300adf921731161
klem ex300adf