130BA0612
boutflens, 6x12 zx1400a6f130BA0618
boutflens, 6x18 zx1400a6f130BA0610
met bouten, 6x10 zx1400a6f132BA0610
bout-flens-klein, 6x10 zx600p110570184
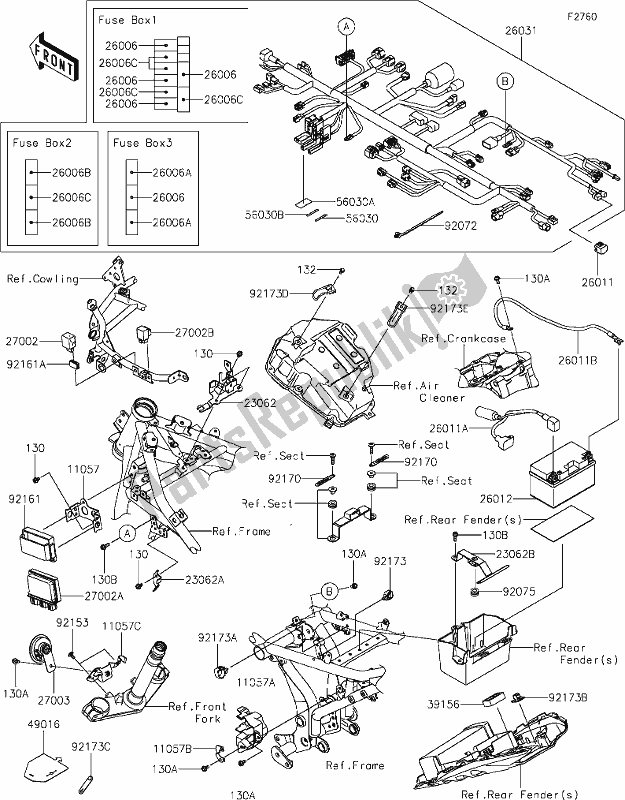
01 beugel, hoorn110570138
01 beugel, koppeling110570122
01 beugel, relaiskast110570137
01 beugel, magnetische sw.230620875
01 beugel-comp,vd-sensor230620882
01 beugel-comp, zekeringkast230620899
01 beugel-comp, batterij260061078
zekering, 10a kaf620-e1260061077
zekering, 5a kaf620-e1260060020
zekering, miniblad, 25a, natu zx100260060001
zekering, 15a vn2000-a1h260110275
draadgeleiders zr750maf260110980
01 draad, batterij (+)260110981
01 draad, batterij(-)260120689
batterij, ytz10,12v 8.6ah en650a260312331
01 harnas, hoofd270021062
relay-assy zx600-c1270020050
01 relais-assy270020006
relais, signaallamp kle650a270030065
hoorn ex650c9f391562136
01 stootkussen, schakelaar490160645
01 deksel-seal560300879
label, zekeringkast2 kle650eff560300705
label, zekeringkast1 er650ecf560300400
label, zekeringkast zx1000kbf920721414
band zx1200-b1920751880
demper er650ecf921531948
bout, dop, 6x12 zx1000e8f921611443
demper, 15x25x8.5 er650ecf921610203
demper, relaiskast zx636-c1h921701514
klem, carburateur slang kdx200-e921730736
klem klz1000acf921731055
klem, afvoer zr800ads921731229
klem, rubberen plaat zx1000lef921731586
01 klem,airco-behuizing,fr921731587
01 klem,airco-behuizing,rr921730861
klem klz1000acf