130CA0616
met boutflens, 6x16 zx1000e8f140920791
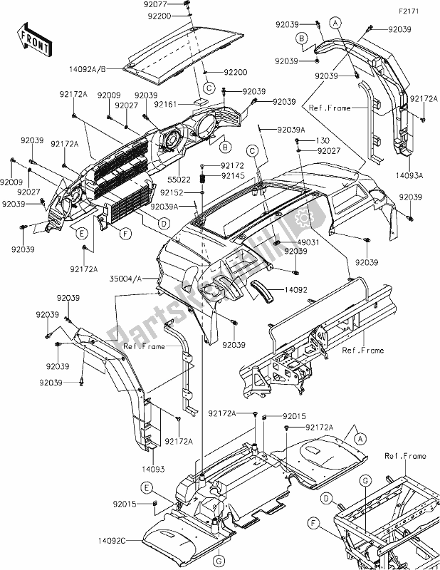
01 hoes, middenconsole, bovenkant140921177266
01 deksel,open,b.wit14092117742S
01 deksel,open,t.groen140921194
01 deksel, boven, fr binnen140930597
01 deksel,zijkant,rh140930596
01 deksel,zijkant,links350040335266
01 spatbord-front,b.wit35004033542S
01 spatbord-voor,t.groen490310008
01 vergrendeling550220304
01 dekkoplamp920091621
schroef zx500-c1920151678
moer ex250-f1920271168
collr, rempedaal kx80-b2920390776
klinknagel kaf1000egf920390785
01 klinknagel, 3.2x9.5920770030
01 knop921451727
01 lente,17x65921520140
01 kraag921611861
01 demper,40x40x10921720284
schroef, 6x16 zx1400a6f921720711
01 schroef,6x16922000503
sluitring ksv700a9f