130BA0612
boutflens, 6x12 zx1400a6f130BA0620
boutflens, 6x20 zr1000b7f130BA0630
boutflens, 6x30 zx1400a6f670E1509
01 of bel670E5090
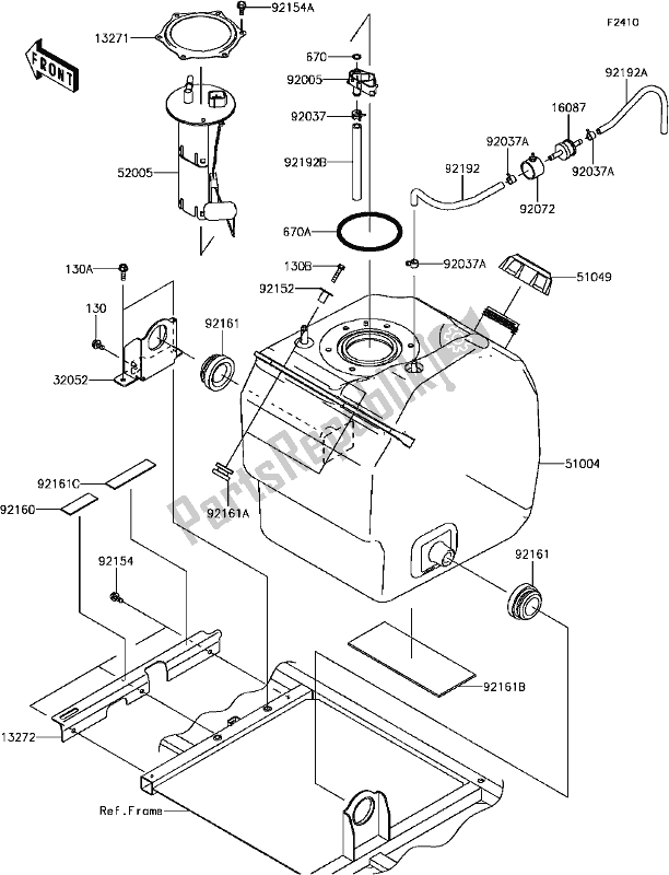
o ring kvf750d8f132710980
plaat kvf750d8f132722206
01 bord160870008
klepcontrole kaf1000bjf320520751
01 beugel-tank510040009
01 tank-brandstof510490718
dop-tank, brandstof krf800aef520050753
03 meter, brandstof920050813
01 passen920371461
klem, buis ZX750-E1920371181
klem z1000-h1920721438
band ksv700-a1921521867
01 kraag,6.8x10x18.1921541250
01 bout,6x15.6921541326
01 bout, brandstofpomp;921601075
demper zx600-c1921611876
01 demper921611645
01 demper, 80x200x3.175921611614
01 demper,10x28x17921611613
01 demper,30x56x25921920773
01 buis, adem,921921199
01 buis, ontluchter, 5x9x220921921474
01 buis, brandstof, 8x13x137