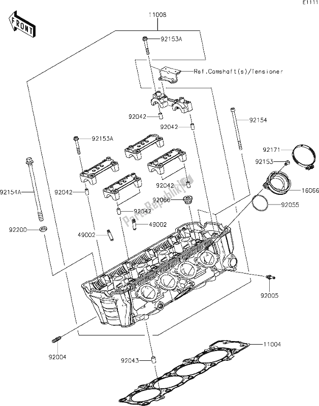
110040781
01 pakkingkop110080947
01 head-comp-cilinder160660012
01 houder-gasklephuis490020009
geleideklep zx1000-c1h920040050
stud klx250sbf920050826
passend zx1400hgf92042007
pin-pluggen z750-l1920431264
pin, plug, 8,2x10x14 en450-a1920551536
ring-o, 42x1.9 zx600-f1920660832
stekker, 18x10 zx1400hgf921530406
bout, 6x14 zx600-k1h921530656
bout, 6x45 zx1000-c1h921540205
bout, dop, 6x115 zr1000daf921542638
01 bout, flens, 10x165921710729
klem, 60mm zx600p7f922001691
sluitring, 10,2 x 18,4 x 1,8 klz1000bf