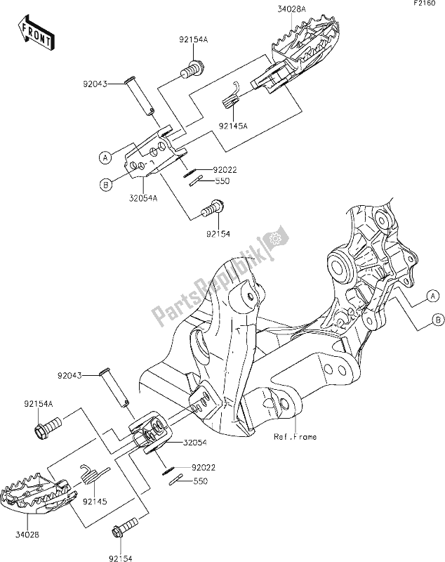
550S3020
pin-cotter, 3.0x20 kx500-e5320540054
beugel-stap, links kx450fcf320540055
bracket-step, rechts kx450fcf340280104
stap, lh kx250w9f340280105
stap, rechts kx250w9f920221829
sluitring, 10,2 x 16 x 1 kxf250-a2920430074
pin, 10x42,5 kx250-n2921450819
spring, step, lh kx450fcf921450820
spring, step, rh kx450fcf921540515
bout, met flens, 8x25 kx250ybf921540545
bout, met flens, 10x23 kx450fcf