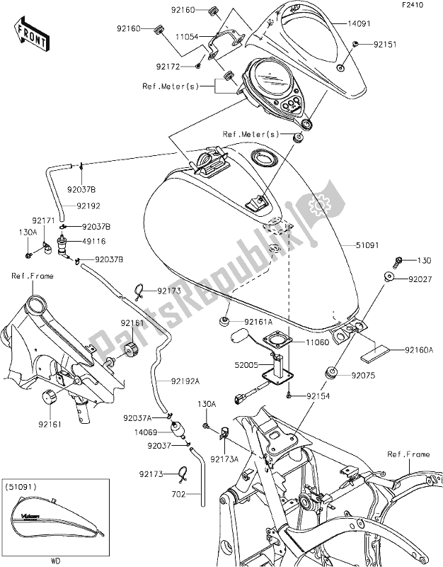
130BA0830
met flens, 8x30 gemeenschappelijk130BB0610
met flens, 6 x 10 gemeenschappelijk702A06200
buisrubber, 6x200 z750-r1110540034
beugel, meter, fr vn900b6f110601952
pakking, brandstofmeter zx1200-a1140691004
ontluchter, brandstoftank ER500-A1140911730H8
deksel, meter, ebbenhout vn900bcfa491160014
ventiel, controleer vn900b6f51091543562N
01 tank-comp-brandstof, oranje + zwart520050718
meter, brandstof vn900bcf920271780
kraag, l = 19,3 vn750-a292037147
klem, kettingolier z1000-j1920371104
klem, slang z1300-a392037010
klem-brandstofleiding KH100-G2920751736
demper vn750-a2921511940
bout, dop, 6x12 vn1500-p1921541856
bout, met flens, 5x12 zx1400hgf921601162
demper zx750-h1921601323
demper, batterijband kle500-a1921611065
klep, stoel vn1500-l5921610293
klep, brandstoftank vn2000-a2921710595
klem vn900b6f921720006
schroef, tappen, 5x14 vn800-b8921730848
klem vn900bcf921730925
klem vn900bcf921921107
buis, ontluchter, l = 220 vn900bcf921921129
buis, 5x10x500 / 350 vn900bcf