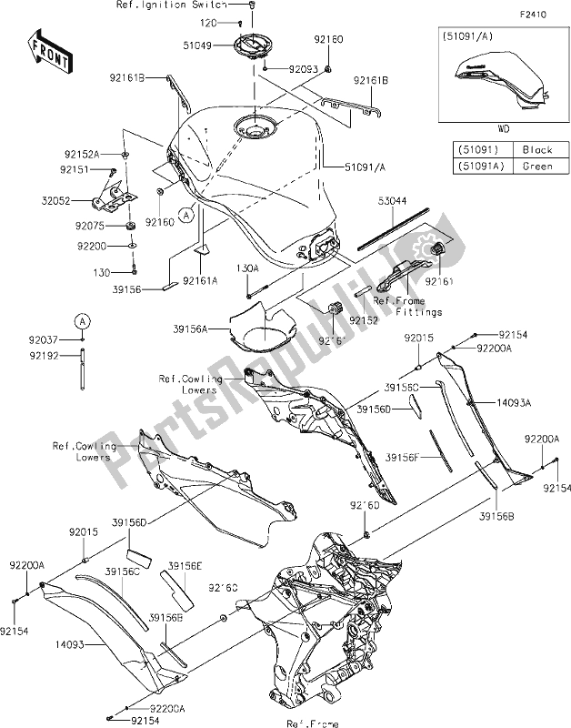
120CA0512
boutmof, 5x12 zx1400a6f130BA0622
met flens, 6x22 zx1400a6f130BB0670
boutflens, 6x70 gemeenschappelijk140930529
01 hoes,kniegreep,links140930530
01 hoes,kniegreep,rh32052078318R
01 beugel-tank,f.s.zwart391562602
01 pad,rr,rh391562601
01 pad,rr,lh391562600
01 stootkussen, 35x70x3391562151
01 kussen, 8x280x10391562150
01 kussen, 8x100x5391561781
pad, brandstofpomp zx1000lef391561770
pad, afvoerslang zx1000lef510490735
01 dop-tank51091505917K
01 tank-comp-fuel,m.d.black51091505960R
01 tank-comp-fuel,e.b.green530441296
trim zx750-p1920151757
moer, 5 mm kr250-b292037010
klem-brandstofleiding KH100-G2920751690
demper ZL600-A1920931030
oliekeerring, brandstoftank ca z1300-a3921511605
bout, dop, 6x30 zx900-e1p921521182
kraag, 6,8x10x60 zx1200-a1921521847
kraag, 6,3x9,5x14,1 zx1000lef921540209
bout, dop, 5x16 vn1700c9f921601613
demper kl650-c1921611330
demper, brandstoftank, RR ZX636-B1H921611768
demper, 30x48x3 klz1000bff921611943
01 demper921921024
buis, 6x9x926 (30) zx1000gbf922001087
sluitring, 6,5x22x1,6 zx900-b1922001820
sluitring, 5,2x10x1,0 zx1000ngf