120Z0512
geen beschrijving beschikbaar130G0512
bout-flens gemeenschappelijk130BA0512
bout-flens gemeenschappelijk120531104
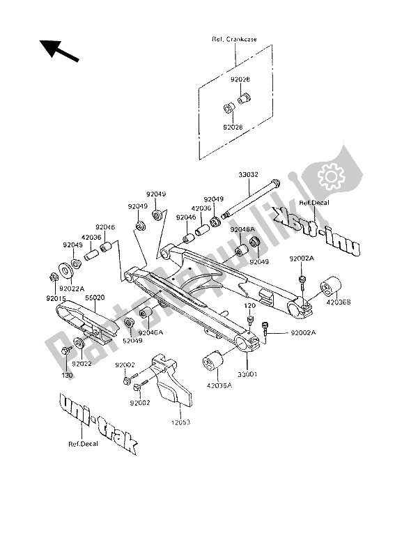
ketting, RR KL600-A1330011202CE
geen beschrijving beschikbaar330321108
shaft-swing arm kl600-a1420361103
mouw, 15,1x20x42,5 kl600-a1420361104
geen beschrijving beschikbaar420361105
geen beschrijving beschikbaar550201154
beschermer, ketting, fr kl600-a1920021180
geen beschrijving beschikbaar130BB0645
bout, 6x45 gemeenschappelijk920021088
bout, 6x45 gemeenschappelijk920151459
moer, 14mm kl600-a1920221043
pakking, 10x14.5x1.5 zx750-e1110091105
pakking, 10x14.5x1.5 zx750-e1920221701
sluitring kl600-b1920281261
bus, zwenkarm kl600-a1920461110
lager-naald, bm2027 kl600-a1920461113
lager-naald, btm202 kl600-a1920491109
seal-olie, arm, cnt er250-b1