140241543
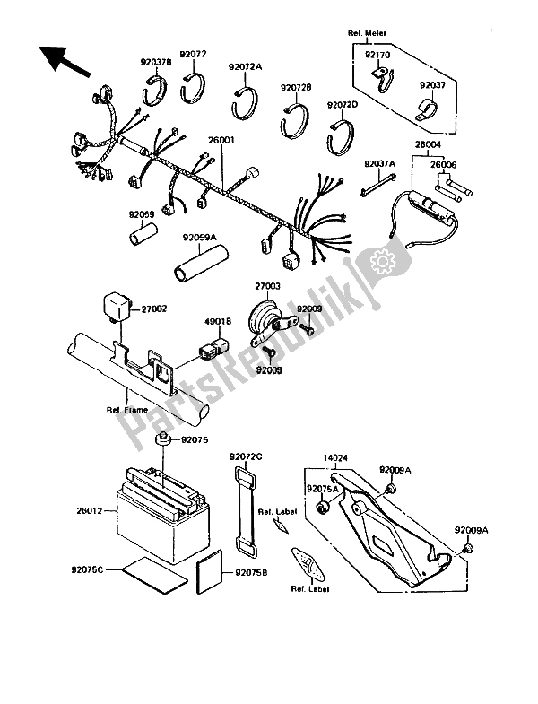
deksel, batterij kmx125-a2260011925
geen beschrijving beschikbaar260041074
zekering-ass kmx125-a1260061056
zekering, 20a, l = 30 kl250-d2260121198
accu, fb4l-b, 12v 4ah kmx125-260120604
accu, fb4l-b, 12v 4ah kmx125-270021053
relais, knipperlicht ex305-b2270031306
hoorn kl250-d5490181052
diode ex250j9f490180005
diode ex250j9f920091286
schroef, 6x10 zx900-a1920091515
schroef kx80-v1920091661
schroef kx80-v1920371483
geen beschrijving beschikbaar920371163
klem, harnas, achter z250-a3921710652
klem zx1400a6f920371069
klem zx1400a6f920591799
buis kl250-d4920591878
buis kmx125-a2920721197
band er500-a1920720715
band, 3,5x205 fj400d-as092072056
band, rubber z750-l192072031
band, midden z750-l192072030
band, kort z750-l192075005
demper kl600-a1920751598
demper, zijdeksel kdx200-a2920751727
demper kmx125-a1920751864
demper, batterij, lwr kmx125-a1921701062
klem, harnas kmx125-a3