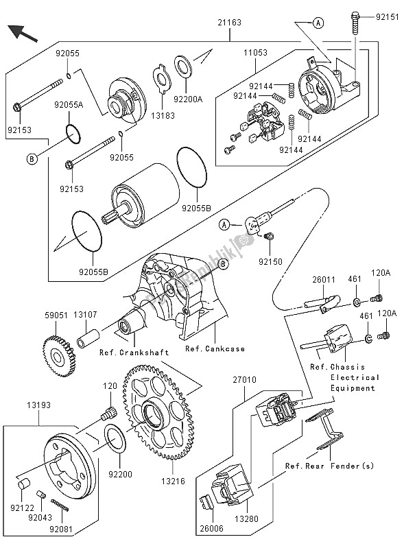
120P0812
bout, dop, 8x12 gemeenschappelijk120CA0812
bout, dop, 8x12 gemeenschappelijk120S0510
boutmof, 5x10 zr750l7f120CB0510
boutmof, 5x10 zr750l7f461K0500
veer, 5 mm, zwart461DB0500
veer, 5 mm, zwart110530224
beugel, starter zx600-k1h131071176
as, 7,8x12x26,5 ex250-f2131831460
plaat zx400-h2131930001
koppeling-assy-oneway zx636-c1h132160011
gear-comp, eenwegskoppeling zx636-132800109
houder, schakelaar zx636-c1h211630006
Startmotor260061006
zekering, 30a-g zx900-a1260110065
draadkabel zx636-c1h270100781
schakelaar, magnetisch ksf450bef270100030
schakelaar, magnetisch ksf450bef590511413
geen beschrijving beschikbaar92043132
pin z400-j2920550013
ring-o, starter zx600-k1h920551262
ring-o, 24,4 mm zx900-a1920551455
ring-o zx400-h292081159
veer, spoel z400-j292122006
rol z400-j2921441423
veer, borstel zx400-h2921501305
bout zx400-h2921511930
bout, 6x25 ej650-a1921530405
bout zx600-k1h922000168
sluitring, 28.5x40.0x1.0 zx636-c1h922001019
ring zx400-h2