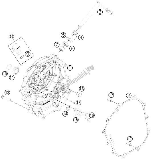
90130026044
brak opisu w tej chwili90130027000
uszczelka pokrywy sprzęgła90132048033
dźwignia zwalniania sprzęgła kpl.90132048004
wiosna f. zwolnić dźwignię90132048005
podkładka 12,5x24x0,8mm90132051000
pierścień uszczelniający olej90132050000
łożysko igiełkowe90130020000
korek oleju kpl.J770013824
o-ring 13,8x2,490130095001
pierścień zabezpieczający drut 28x1,590130095000
szklany wskaźnik poziomu olejuJ025060306
Śruba z kołnierzem HH M6x30 SW1090132054000
popychacz90134027000
uszczelka - olej90130026002
pokrywka90130078001
śruba z kołnierzem 6x1290130024000
kołek kołkowy 8x6,4x14mm90130064000
strumień oleju