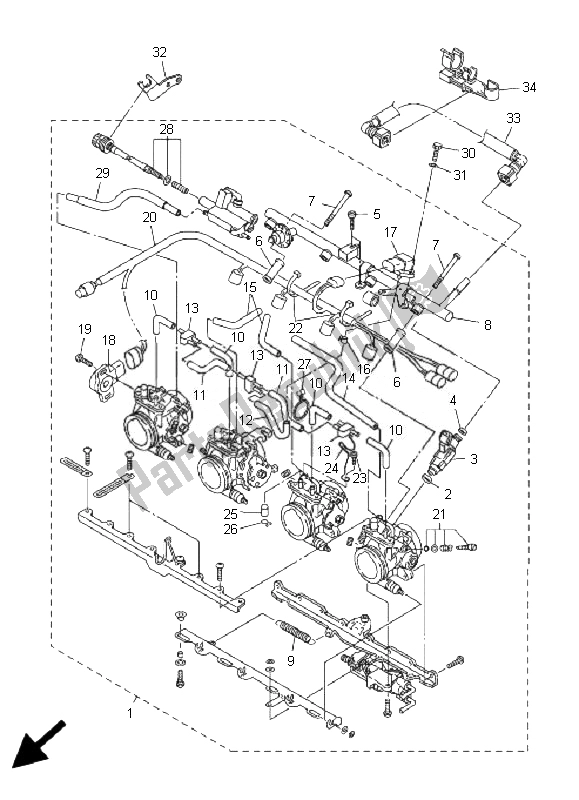
3P6137502000
zespół korpusu przepustnicy904300900200
uszczelka5JW137611000
zespół wtryskiwacza5FL141470000
o-ring985020501200
śruba z łbem walcowym (646)985800501200
śruba z łbem walcowym (646)5JW144190000
rura985020604000
śruba z łbem stożkowym5JW131600000
zestaw rur doprowadzających5JW145890000
wiosna5JW143492000
rura5JW143491000
rura5PW143490000
rura3XV142510000
sutek5JW149871000
wąż gumowy5JW149872000
wąż gumowy5DM149190000
spinacz5JW823800000
czujnik ciśnienia3P6858850000
zespół czujnika przepustnicy8CC142161000
wkręt3P6825090000
drut, przewód pomocniczy5JW141040000
zestaw śrub powietrznych4KM141370000
spinacz985020500600
śruba z łbem stożkowym3P6141390000
zacisk, rura895141690000
czapka8A7141390000
zacisk, rura5PW141370000
spinacz5JW141032000
zestaw śrub przepustnicy5JW149873000
wąż gumowy970020501600
śruba (6a1)970950501600
śruba (6a1)929020560000
podkładka, gładka (646)929900560000
podkładka, gładka (646)5JW144131000
zostać5JW139711000
rura, paliwo 1904641600500
Zacisk