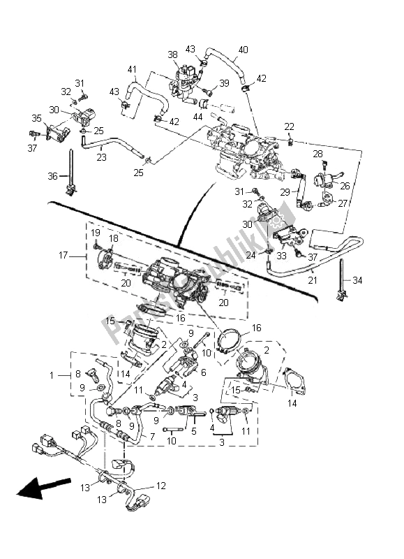
5YU135900000
zespół złącza gaźnika5PX135860000
przegub gaźnika 15YU137610000
zespół wtryskiwacza5FL141470000
o-ring5PX141880000
złącze5PX141890000
złącze5YU139380000
rura4BH135730000
śruba 1904301221900
uszczelka (4bh)985070605000
śruba, patelnia904300900200
uszczelka5YU825091000
drut, przewód pomocniczy904651009800
Zacisk5PX142390100
foka5PX142390000
foka913140602000
śruba z łbem gniazdowym904505709200
zacisk węża kpl904505701000
zacisk węża kpl5YU137500200
zespół korpusu przepustnicy5YU137500100
zespół korpusu przepustnicy3P6858850000
zespół czujnika przepustnicy5PX858850100
zespół czujnika przepustnicy8GL858850000
zespół czujnika przepustnicy4KM244530000
wkręt5JW141040000
zestaw śrub powietrznych5YU138950000
wąż, powietrze904670709300
klip (42x)5YU138920000
wąż, powietrze 2904670709300
klip (42x)904670709300
klip (42x)5YU139060000
regulator, ciśnienie5YU135950000
połączenie913170501600
śruba, gniazdo5YU139720000
rura, paliwo 25PS823800000
czujnik ciśnienia970070501600
śruba (4tw)970170501600
śruba (4tw)929070560000
podkładka (1rw)5YU2138K0000
wspornik, 1904641011200
zacisk (2tv)904641203600
zacisk (2tv)5YU2138L0000
wspornik 2904641011200
zacisk (2tv)950270601600
śruba, podkładka (ja9)901050669600
śruba, podkładka (ja9)5YU858800000
liniowy zawór sterujący913170602000
śruba, gniazdo5YU135450000
wąż 15YU135460000
wąż 2904671013500
klips (3bm)904671113600
spinacz904671500100
spinacz