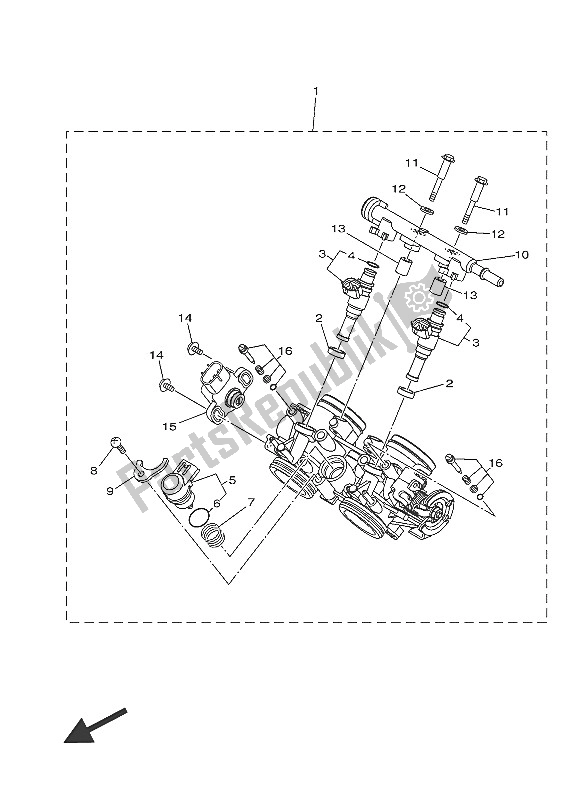
1WS137500000
zespół korpusu przepustnicy1WS137502000
zespół korpusu przepustnicy8FP135560000
uszczelka, kolektor1WS137610000
wtryskiwacz5PS141470000
o-ring1WS858010000
silnik krokowy54PE416A0000
o-ring1WS143350000
sprężyna, tłok985170601200
śruba, patelnia985020601200
śruba, patelnia54P142430000
płyta1WS139380000
rura8HG135730000
śruba 18GL135710000
pralka8HG145340000
kołnierz8CC142161000
wkręt3B4858850000
zespół czujnika przepustnicy2C0141050000
zestaw śrub pilotowych