3L685550M000
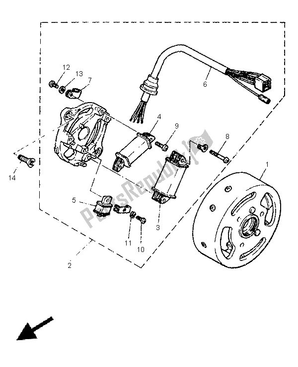
zespół wirnika3L685550M100
zespół wirnika4X485560M100
zespół podstawy4X481313M000
cewka, oświetlenie 14Y485520M000
cewka, ładunek3L585580M000
zespół pulsera4X48131XM000
zespół przewodu904610503600
zacisk (2t4)985110402500
śruba z łbem stożkowym985170402500
śruba z łbem stożkowym985170401200
śruba z łbem stożkowym985110401200
śruba z łbem stożkowym985010401000
śruba z łbem stożkowym płaskim (e56)985800401000
śruba z łbem stożkowym płaskim (e56)929010410000
ybs67-4 podkładka sprężysta929900410000
ybs67-4 podkładka sprężysta985170401600
śruba z łbem stożkowym985010400600
śruba z łbem stożkowym929010410000
ybs67-4 podkładka sprężysta929900410000
ybs67-4 podkładka sprężysta987070601600
śruba z łbem płaskim (4em)