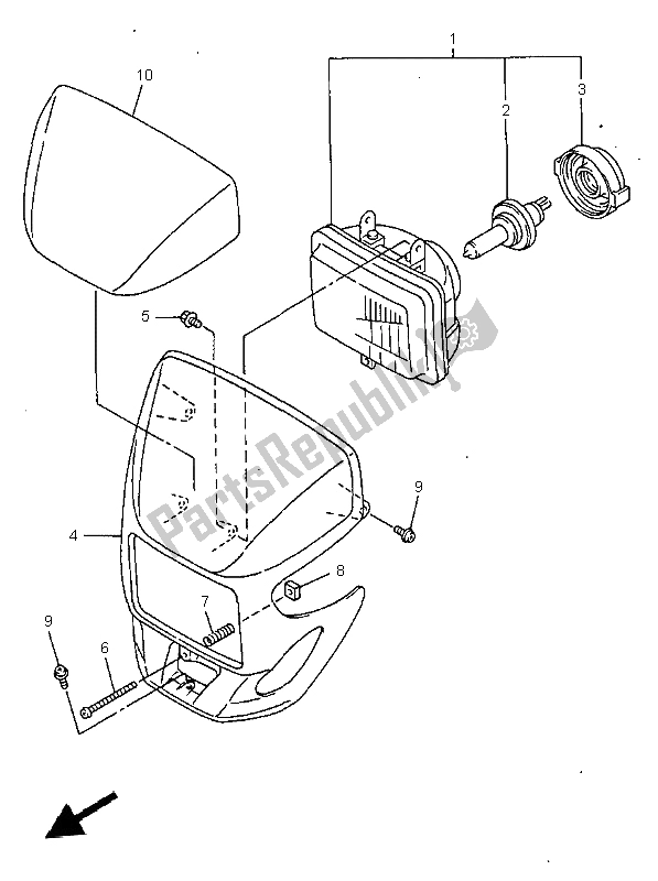
5BF843100000
zespół reflektora5BF843100100
zespół reflektora8G9843140000
żarówka reflektor5VKH43140000
żarówka reflektor5BF843970000
pokrywa, gniazdo5PX843970000
pokrywa, gniazdo5BF843300000
body assy5BF843300100
body assy55U843370000
śruba, specjalna5BF8433E0000
śruba, regulacja5BF843350000
sprężyna, śruba regulacyjna8A5843320000
sprężyna, śruba regulacyjna5BF843340000
nakrętka, regulacja901590618900
śruba, z podkładką (3yj)901590618200
śruba, z podkładką (3yj)5BF2339E0000
grafika 1