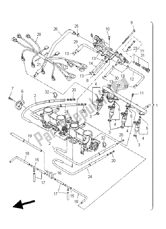
20S137500000
zespół korpusu przepustnicy5VX143480000
rura 18FP135560000
uszczelka, kolektor5VX137610000
zespół wtryskiwacza5PS141470000
o-ring2D1858850000
zespół czujnika przepustnicy4KM244530000
wkręt5VX141490000
rura5VX145650000
wkręt985170501000
śruba z łbem płaskim (3la)985070501000
śruba z łbem płaskim (3la)985070601200
śruba, patelnia985170601200
śruba, patelnia5VX143960000
rura3UH149370000
spinacz5VX149870000
wąż gumowy68V243760000
rura, złącze 13XV142510000
sutek5FL143481000
rura 168V135330000
wąż, czujnik podciśnienia 45VX1410E0000
wąż gumowy5PW142510000
sutek4KM141370000
spinacz5JW141040000
zestaw śrub powietrznych3H1141470000
o-ring, śruba prowadząca5VX143490000
rura904671013500
klips (3bm)904671109000
klips (3bm)20S1243E0000
wąż 25VX131600000
zespół rury tłocznej 120S823860000
przedłużenie, wiązka przewodów5VX135330000
wąż, czujnik podciśnienia 45VX148070000
wąż gumowy5VX145030000
wyregulować zestaw śrub904642304100
Zacisk904642526700
Zacisk