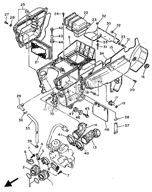
43F135860100
junta, carburador 11VJ135960000
junta, carburador 2932103654900
o-ring (2ty)932103676900
o-ring (2ty)16G135690000
plugue cego904671003900
clipe (3g0)904650802800
braçadeira (1e6)913170602000
parafuso, soquete9131606020BL
parafuso, soquete904604620600
conjunto de braçadeira de mangueira904504700200
conjunto de braçadeira de mangueira3T8144110000
nenhuma descrição disponÃvel no momento3T8819530000
nenhuma descrição disponÃvel no momento902674007500
rebite, cego (5h0)902674008000
rebite, cego (5h0)929900460000
arruela simples (646)9290104600BL
arruela simples (646)3TB144530000
junta, filtro de ar 13TB144540000
articulação3T81441A0000
nenhuma descrição disponÃvel no momento904801232500
ilhó (10v)43G144360000
gancho902674007500
rebite, cego (5h0)902674008000
rebite, cego (5h0)929900460000
arruela simples (646)9290104600BL
arruela simples (646)977065052000
parafuso, torneira pan. 2 fenda977075062000
parafuso, torneira pan. 2 fenda3TB144510000
elemento, filtro de ar3TB144510200
elemento, filtro de ar3TB144120000
tampa, caixa de limpeza 13T8144570000
nenhuma descrição disponÃvel no momento977075062000
parafuso, torneira pan. 2 fenda977065052000
parafuso, torneira pan. 2 fenda3T81441E0000
nenhuma descrição disponÃvel no momento3T81446R0000
nenhuma descrição disponÃvel no momento985060502000
parafuso cabeça de panela985170502000
parafuso cabeça de panela9290605600BL
lavadora simples9290M0560000
lavadora simples5Y1144190000
tubo3T8216210000
nenhuma descrição disponÃvel no momento902674007700
rebite, cego (j10)90201047A200
arruela, placa (8m6)929900420000
arruela ybs66-4, simples3T8144520000
nenhuma descrição disponÃvel no momento904451266600
nenhuma descrição disponÃvel no momento904671205200
clipe (4x4)34X1443E0000
cano, dreno904671110600
clipe (1jh)904671110200
clipe (1jh)903380817400
plugue (1hx)904605801500
conjunto de braçadeira de mangueira904505800200
conjunto de braçadeira de mangueira
Conjunto de braçadeira de mangueira Yamaha 904505800200
€ 9,37 3 - 5 Dias úteis904605801500
conjunto de braçadeira de mangueira904505800200
conjunto de braçadeira de mangueira
Conjunto de braçadeira de mangueira Yamaha 904505800200
€ 9,37 3 - 5 Dias úteis958110602000
parafuso, flange958170602000
parafuso, flange903870603300
colarinho (735)904801432900
ilhó (16r)958160602500
parafuso, flange958170602500
parafuso, flange90387074X300
coleira (17w)90387075H400
coleira (17w)904801506400
ilhó (663)34X216910000
aba