130CA0616
BOLT-FLANGED,6X16 ZX1000E8F140920791
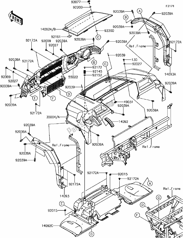
01 Cover,center Console,top14092117740D
01 Cover,open,v.blue14092117742S
01 Cover,open,t.green140921194
01 Cover,top,fr Inner140930597
01 Cover,side,rh140930596
01 Cover,side,lh35004033540D
01 Fender-front,v.blue35004033542S
01 Fender-front,t.green490310008
01 Latch550220304
01 Cover-head Lamp920091621
SCREW ZX500-C1920151678
NUT EX250-F1920271168
COLLR,BRAKE PEDAL KX80-B2920390013
01 Rivet,3.2x9.8920390776
RIVET KAF1000EGF920770030
01 Knob921451727
01 Spring,17x65921520140
01 Collar921611861
01 Damper,40x40x10921720284
SCREW,6X16 ZX1400A6F921720711
01 Screw,6x16922000503
WASHER KSV700A9F