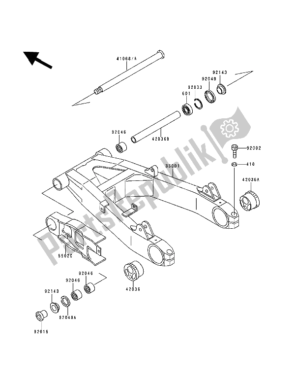
410E1000
WASHER-PLAIN,10MM COMMON410AA1000
WASHER-PLAIN,10MM COMMON601A6004ZZ
BEARING-BALL KLF220-A1330011398CE
410681312
AXLE,RR ZX1100-D1410681354
AXLE,RR ZX1100-D1420361237CE
SLEEVE,REAR AXLE,LH,S ZR1100-B420361265CE
420361266
SLEEVE,SWING ARM,L=20 ZX600-D1550201420
GUARD,CHAIN ZR1100-A1920021452
BOLT ZX750-E2920151835
NUT,PIVOT,16MM ZR1100-C1922101077
NUT,PIVOT,16MM ZR1100-C1920331041
CIRCLIP,42MM Z750-L1920461111
BEARING-NEEDLE,BM2834 KL600-A1920491314
SEAL-OIL,MHSA25 42 6 ZX1000-B1920491352
SEAL-OIL ZX600-D1921431227
COLLAR ZX600-J1921521234
COLLAR ZX600-J1