Psst..!
We are open again! PartsRepublik has been taken over as of May 22, 2024. All questions, orders and warranty cases will from now on be handled by Goedhart Motoren B.V.
ktm, 90504030044 swing arm cpl., 90104050000 splash protector, 90104060000 chain guard cpl., 90104037000 shaft swing arm l=299mm, 90104038000 flanged nut m14x1,5, J025060083 hh collar screw m6x8 sw8, 90104067000 bucket, 90104040000 bolt hex m10x1,25x50 ws10, 90104010002 flanged hex nut m10x1.25 ws13, 90104042000 hex thrust washer, 90104046000 swingarm adjusting ring, 90104034001 oil seal ring 25x32x7, 90104036000 thrust washer 22.2x31.7x1, 90104034000 cup for radial shaft seal, 90104031000 igus plain bearing, 90104032000 sleeve bushing 15.1x20x38, 90113047000 brake hose guide, J011050133 hh collar screw m5x13 sw8, 0017060303 special screw t60 6x30 ws=6, J025050503 hh collar screw m5x50 ws8, 90204060001 hh collar nut, 90113147000 brake hose guide, J912050101 ah screw m5x10, J025060169 hh collar screw m6x16 sw8, 90604062000 chain slider bushing, 90104040100 screw m5x0.8x30, 90504067000 washer chain sliding guard, 90104070020 sleeve chain guard, 90904070020 sleeve chain guard, 90104060110 chain protection kit duke, 90106010010 splash guard kit 390 duke, 90104230010 swingarm rep. kit 11-17, 90104066310 chain guard kit 125/200

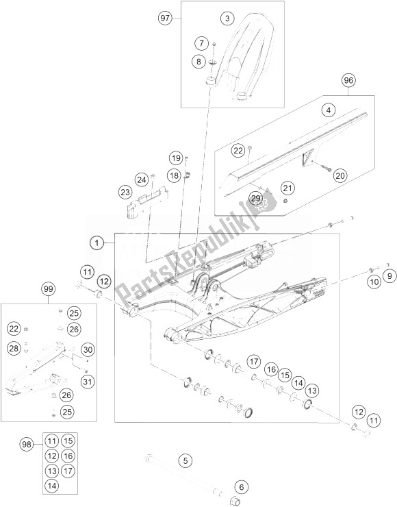
All parts for the Swing Arm of the KTM 200 Duke WH W O ABS CKD 14 China 2014

Here you can find all the spareparts that belong on the Swing Arm of your KTM 200 Duke WH W O ABS CKD 14 China 2014.

All parts for the Swing Arm of the KTM 200 Duke WH W O ABS CKD 14 China 2014
< Scroll to zoom >
#
Article
Description
Price
#3 90104050000 Splash protector KTM 90104050000

Splash protector KTM 90104050000

€ 19,30 4 - 7 Business days
#4 90104060000 Chain guard cpl. KTM 90104060000

Chain guard cpl. KTM 90104060000

€ 22,14 4 - 7 Business days
#5 90104037000 Shaft swing arm l=299mm KTM 90104037000

Shaft swing arm l=299mm KTM 90104037000

€ 28,98 4 - 7 Business days
#6 90104038000 Flanged nut m14x1,5 KTM 90104038000

Flanged nut m14x1,5 KTM 90104038000

€ 5,38 4 - 7 Business days
#8 90104067000 Bucket KTM 90104067000

Bucket KTM 90104067000

€ 3,33 4 - 7 Business days
#9 90104040000 Bolt hex m10x1,25x50 ws10 KTM 90104040000

Bolt hex m10x1,25x50 ws10 KTM 90104040000

€ 5,38 4 - 7 Business days
#10 90104010002 Flanged hex nut m10x1.25 ws13 KTM 90104010002

Flanged hex nut m10x1.25 ws13 KTM 90104010002

€ 4,72 3 - 8 Weeks
#11 90104042000 Hex thrust washer KTM 90104042000

Hex thrust washer KTM 90104042000

€ 3,33 4 - 7 Business days
#12 90104046000 Swingarm adjusting ring KTM 90104046000

Swingarm adjusting ring KTM 90104046000

€ 8,65 4 - 7 Business days
#13 90104034001 Oil seal ring 25x32x7 KTM 90104034001

Oil seal ring 25x32x7 KTM 90104034001

€ 6,17 4 - 7 Business days
#14 90104036000 Thrust washer 22.2x31.7x1 KTM 90104036000

Thrust washer 22.2x31.7x1 KTM 90104036000

€ 3,33 4 - 7 Business days
#15 90104034000 Cup for radial shaft seal KTM 90104034000

Cup for radial shaft seal KTM 90104034000

€ 8,65 4 - 7 Business days
#16 90104031000 Igus plain bearing KTM 90104031000

Igus plain bearing KTM 90104031000

€ 8,65 4 - 7 Business days
#17 90104032000 Sleeve bushing 15.1x20x38 KTM 90104032000

Sleeve bushing 15.1x20x38 KTM 90104032000

€ 8,65 4 - 7 Business days
#18 90113047000 Brake hose guide KTM 90113047000

Brake hose guide KTM 90113047000

€ 3,99 4 - 7 Business days
#19 J011050133 Hh collar screw m5x13 sw8 KTM J011050133

Hh collar screw m5x13 sw8 KTM J011050133

€ 1,69 4 - 7 Business days
#21 J025050503 Hh collar screw m5x50 ws8 KTM J025050503

Hh collar screw m5x50 ws8 KTM J025050503

€ 1,94 4 - 7 Business days
#22 90204060001 Hh collar nut KTM 90204060001

Hh collar nut KTM 90204060001

€ 1,63 4 - 7 Business days
#23 90113147000 Brake hose guide KTM 90113147000

Brake hose guide KTM 90113147000

€ 7,50 4 - 7 Business days
#25 J025060169 Hh collar screw m6x16 sw8 KTM J025060169

Hh collar screw m6x16 sw8 KTM J025060169

€ 1,69 4 - 7 Business days
#26 90604062000 Chain slider bushing KTM 90604062000

Chain slider bushing KTM 90604062000

€ 3,33 4 - 7 Business days
#28 90104040100 Screw m5x0.8x30 KTM 90104040100

Screw m5x0.8x30 KTM 90104040100

€ 4,72 4 - 7 Business days
#29 90504067000 Washer chain sliding guard KTM 90504067000

Washer chain sliding guard KTM 90504067000

€ 3,33 4 - 7 Business days
#30 90104070020 Sleeve chain guard KTM 90104070020

Sleeve chain guard KTM 90104070020

€ 3,33 4 - 7 Business days
#31 90904070020 Sleeve chain guard KTM 90904070020

Sleeve chain guard KTM 90904070020

€ 3,33 4 - 7 Business days
#96 90104060110 Chain protection kit duke KTM 90104060110

Chain protection kit duke KTM 90104060110

€ 29,52 4 - 7 Business days
#97 90106010010 Splash guard kit 390 duke KTM 90106010010

Splash guard kit 390 duke KTM 90106010010

€ 23,23 4 - 7 Business days
#98 90104230010 Swingarm rep. kit 11-17 KTM 90104230010

Swingarm rep. kit 11-17 KTM 90104230010

€ 85,12 4 - 7 Business days
#99 90104066310 Chain guard kit 125/200 KTM 90104066310

Chain guard kit 125/200 KTM 90104066310

€ 41,26 4 - 7 Business days

Servicing your KTM 200 Duke WH W O ABS CKD 14 China?

Then you have come to the right place at partsrepublik! We have a wide range of products for your KTM 200 Duke WH W O ABS CKD 14 China, to be able to carry out the maintenance on your KTM 200 Duke WH W O ABS CKD 14 China as well as possible. With a well-maintained motorcycle you will go on a tour faster than with a motorcycle that you are not sure of, or that can complete the ride. By performing the correct maintenance on your motorcycle, you can be sure that you can always go on the road carefree! We also have an extensive range of accessories. We have listed a number of relevant product groups for you;

Curious about all products and accessories? View them by clicking the button below. There you will find a complete overview of relevant articles for your KTM 200 Duke WH W O ABS CKD 14 China.


Find the parts while repairing your Ktm!

The technical drawing shows all original parts for the Swing Arm of the KTM 200 Duke WH W O ABS CKD 14 China 2014. By clicking in the list you go directly to the articles belonging to the reference number. These items can be original Ktm items, but they can also be replacement aftermarket items, which are suitable for the Swing Arm. These articles of course also fit on the KTM 200 Duke WH W O ABS CKD 14 China 2014, but serve as a cheaper alternative than the original parts of Ktm.

About PartsRepublik

Read all reviews (1612)

Shipment from the Netherlands

Response within 24 hours!

Want to cancel your order? We will arrange it without any problems!

E-mail: info@partsrepublik.com