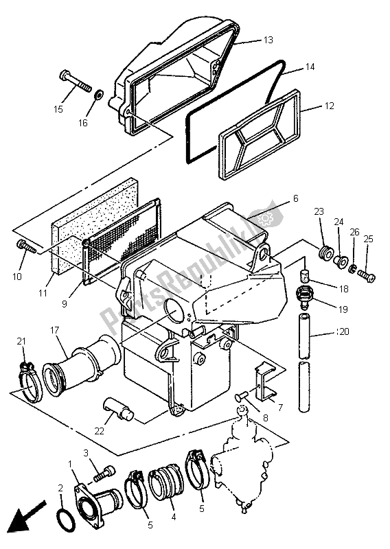
5H0135860000
JOINT, CARBURETOR 1932103447400
O-RING (5H0)913170602000
BOLT,SOCKET5H0135960000
JOINT, CARBURETOR 2904604317900
CLAMP, HOSE (5H0)5H0144111000
CASE, AIR CLEANER 15H0144111100
CASE, AIR CLEANER 15H02172K0000
902674008000
RIVET, BLIND (5H0)5H0144720000
977074061000
SCREW, PAN TAP.2 SLIT5H0144510000
Luchtfilter5H0144680000
5H0144120000
1VJ144620000
SEAL985070504500
SCREW, PAN929070560000
WASHER(1RW)5H0144530000
5H0144620000
5H0144190000
91A100703900
HOSE (26A)91A200703900
HOSE (26A)904504404600
HOSE CLAMP ASSY(1MX)904504507500
HOSE CLAMP ASSY(1MX)5H0217460000
904801029700
GROMMET (5H0)903870602400
COLLAR (838-84757-00)985070601600
SCREW, PAN HEAD(3TJ)929070610000
WASHER, SPRING