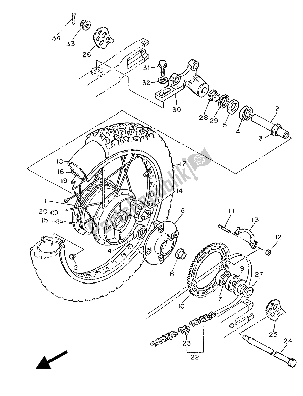
2KF253110098
HUB, REAR90387173M500
COLLAR(1FN)146253150000
FLANGE, SPACER933062031000
BRG,R-B 6203RS 40MM 63.3G KY931022531100
OIL SEAL(36R)5Y1253660098
933063041600
BEARING(3BC)933063043700
BEARING(3BC)5Y1253770000
931023007200
OIL SEAL(3BC)931063002900
OIL SEAL(3BC)5Y1254392033
901161034800
BOLT, STUD (4G0)901701021909
Nut901701001100
Nut5Y1254120000
Washer5Y1253640000
DAMPER1E6253040000
SPOKE SET (REAR)5Y1253040000
SPOKE SET (REAR)944251848200
94146181N200
94146185F000
942121818800
TUBE (5A8)942401809800
TUBE (5A8)943401808600
BAND, RIM (2J4)156253980000
BALANCER, WHEEL3HT253980000
BALANCER, WHEEL904801006800
GROMMET (397)9Y5818710100
CHAIN945804010200
CHAIN946805001100
43F253810000
3Y1253880100
PULLER, CHAIN 13Y1253890000
PULLER, CHAIN 21VJ253830000
COLLAR, WHEEL90387174F000
COLLAR (5X4)36R253670000
COVER, HUB DUST2KF258190000
910211003000
BOLT, FLANGE958171003000
BOLT, FLANGE90201105R900
WASHER, PLATE(3BM)902011043700
WASHER, PLATE(3BM)901711602400
NUT, CASTLE (2H6)914013003000
PIN, COTTER914903003000
PIN, COTTER